Підшипник LMK 10 UU лінійний, корпусний CX Польща
Лінійний підшипник LMK 10 UU кульковий, фланцевий
Підшипник LMK 10 UU — це лінійний кульковий вузол із фланцем, призначений для точного переміщення по валу. Він виготовлений відповідно до японського стандарту LM, що забезпечує сумісність із більшістю стандартних напрямних валів.
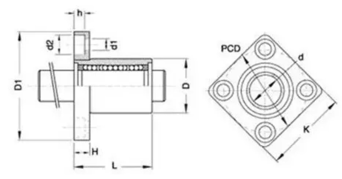
Позначення K означає, що підшипник має квадратний фланець, який дозволяє легко закріпити його на поверхні за допомогою болтів. Такий тип кріплення забезпечує жорсткість конструкції та зручність монтажу.
Маркування UU вказує на стандартне виконання підшипника з базовою конструкцією без додаткових прорізів у корпусі.

Додаткові розміри: D1-40 mm / H-6 mm / h-4 mm / d1-5 mm / d2-8 mm / K-30 mm / PCD-29 mm
Підшипник розрахований на сприйняття радіальних навантажень, що робить його придатним для використання у механізмах із лінійним переміщенням.
Виготовлений із низьколегованої хромистої сталі, підшипник має високу міцність та зносостійкість. Кільця та тіла кочення проходять термічну обробку, завдяки чому вони зберігають стабільність геометричних розмірів при нагріванні до 130 °C.
Відгуків про цей товар ще не було.
Немає відгуків про цей товар, станьте першим, залиште свій відгук.