Подшипник SMA 20 UU линейный, корпусной CX Польша
Линейный подшипник SMA20UU в корпусе шариковый
Обозначение SMA указывает на корпус, сделанный из анодированного алюминия. Он оснащен четырьмя резьбовыми монтажными отверстиями, обеспечивающими надежное крепление подшипника к оборудованию или конструкции.
Маркировка UU означает стандартное исполнение подшипника без дополнительных разрезов в корпусе.

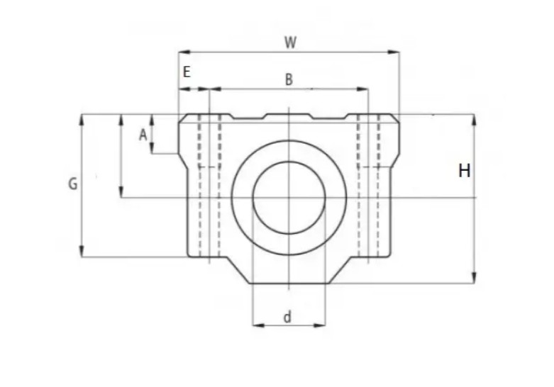
Дополнительные размеры: W-54 mm / E-7 mm / B-40 mm / A -11 mm / G-35 mm / H - 41 mm
Подшипник рассчитан на восприятие радиальных нагрузок, что делает его пригодным для использования в механизмах с линейным перемещением.
Изготовлен из низколегированной хромистой стали, подшипник обладает высокой прочностью и износостойкостью. Кольца и тела качения проходят термическую обработку, благодаря чему сохраняют стабильность геометрических размеров при нагревании до 130 °C .
Нет отзывов об этом товаре.
Нет отзывов о данном товаре, станьте первым, оставьте свой отзыв.